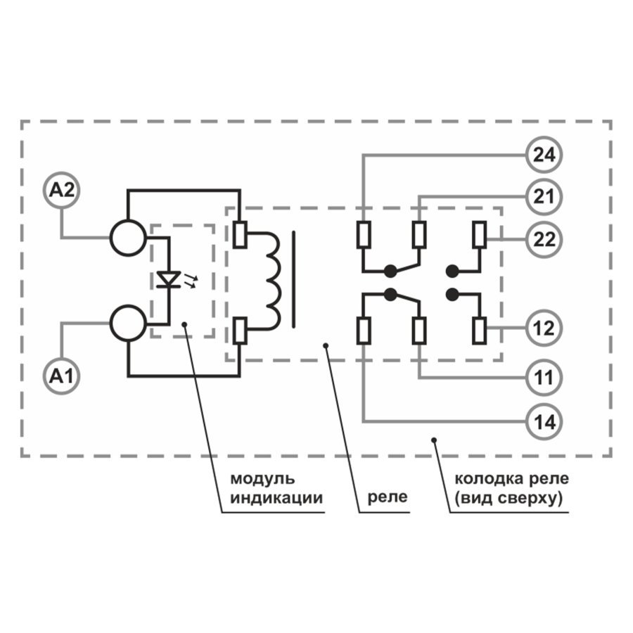
Реле электромагнитное промежуточное в сборе для коммутации цепей и управления различными исполнительными устройствами.
• Управляющая обмотка – 12 В постоянного напряжения
• Исполнительные контакты:
— максимальное коммутируемое постоянное напряжение – 30 В,
— максимальное коммутируемое переменное напряжение – 277 В
• Максимальный коммутируемый ток – 5 А
Внимание! Напряжение, подаваемое на катушку реле, не должно превышать номинального напряжения 12В +10%.
В комплект входят:
— миниатюрное реле 12V, NNV69KP-2Z-12VDC;
— колодка реле 14F08-E на DIN-рейку с пластиковым фиксатором;
— индикатор для колодки реле 14F08-E.






















